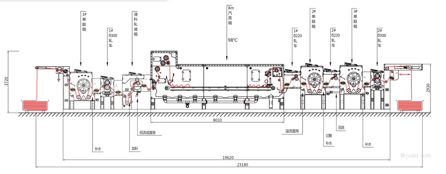
经过我公司多年研发和探索、我公司的针织平幅湿处理设备已达到先进水平,这些设备与传统的绳状处理设备相比,可以大量节省水、电、汽等能耗50%以上,以达到节能减排的效果,同时还可以减少织物本身的失重率、提高手感和光泽度等布面附加值。
公司产品已销售至山东诸城桑莎、淄博金浩、广东龙门汉兴、广东龙门鸿业(已使用我公司5台设备漂白机、皂洗机、增白机、轧碱机、小样机)、广东顺德金纺 、浙江绍兴乐高、广东四会墩煌等针织行业领军企业。我公司设备通过以上公司的使用,均获得良好的使用效果并得到一致认可。
公司2017年和浙江理工大学合作“节能针织连续平幅前处理装备的研发及产业化” 项目的研制,本项目作为公司创新技术、实现国产针织平幅连续生产成套装备的重要推手,将进一步推动企业各项软硬件设施的建设,为公司的发展打下坚实的技术基础。